咨詢電話
13924666952
400-158-1606

通用控制系統最大支持1-16軸控制,支持三軸空間直線、空間圓弧動作;
支持TCP遠程通訊協議、視覺通訊協議,支持modbus RTU、modbus TCP協議;
1個主程序16個子程序,支持16個子程序并行,含有豐富的動作和工藝指令,簡化編程工作;
擁有1路CAN口,滿足多設備交互功能;
支持示教器調試伺服,減少調試步驟;
支持外擴IO闆,模拟量輸入輸出闆;
支持編碼器跟随;
七段速度軌迹規劃,伺服運動更平穩;
支持任意軸絕對值或增量電機,支持長原點和短原點。
華成工控自研EtherCAT總線運動控制器,集驅動與運動控制一體,桁架機械手控制系統爲通用總線型機械手控制器,可滿足自由搭配多軸運動控制。
産品特點
1、通用控制系統最大支持1-16軸控制,支持三軸空間直線、空間圓弧動作;
2、支持TCP遠程通訊協議、視覺通訊協議,支持modbus RTU、modbus TCP協議;
3、1個主程序16個子程序,支持16個子程序并行,含有豐富的動作和工藝指令,簡化編程工作;
4、擁有1路CAN口,滿足多設備交互功能;
5、支持示教器調試伺服,減少調試步驟;
6、支持外擴IO闆,模拟量輸入輸出闆;
7、支持編碼器跟随;
8、七段速度軌迹規劃,伺服運動更平穩;
9、支持任意軸絕對值或增量電機,支持長原點和短原點。

注意:
1)用戶需要自行評估IO電源是否超出标配50W,如超出,則需要自行更換大功率電源。
2)接線完成後手控器上出現的報警輕按用戶手冊“8.4 報警及其解決方法”進行處理。
3)省略号處單元模塊相同,系統軸數可選擇2軸、3軸、4軸、5軸、6軸、7軸、8軸。端口連接方式相同。
主控尺寸圖:

安裝方式 | 螺絲規格 | 螺絲長度(max) | 安裝扭矩(max) |
螺絲固定 | M5 | 12mm | 7.5kgf.cm |
手控器尺寸圖:

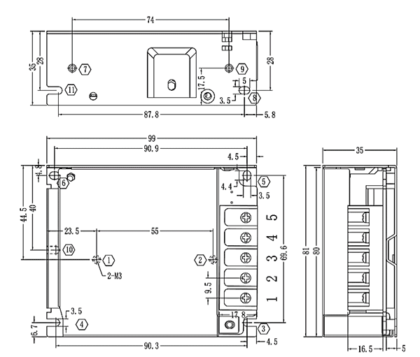
單路開關電源圖:

安裝方式 | 安裝位号 | 螺絲規格 | 螺絲長度(max) | 安裝扭矩(max) |
螺絲固定 | ①--② ⑦--⑨ | M3 | 5mm | 6.5kgf.cm |
③--⑥ ⑩--⑫ | M3 | 3mm | 7kgf.cm |
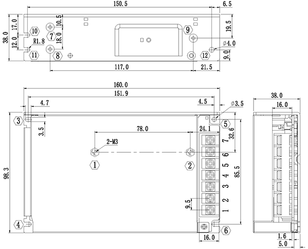
雙路開關電源圖:

安裝方式 | 安裝位号 | 螺絲規格 | 螺絲長度(max) | 安裝扭矩(max) |
螺絲固定 | ①--② ⑦--⑨ | M3 | 5mm | 6.5kgf.cm |
③--⑥ ⑩--⑫ | M3 | 3mm | 7kgf.cm |
制動電阻尺寸圖:

型号 | 25℃-40℃額定功率(W) | 外形尺寸(mm) | 阻值範圍 | ||||||
電阻體 | |||||||||
A±1.0 | B±1.0 | C±1.0 | D±1.0 | E±0.5 | F | G±1.0 | 0.1~20K | ||
RXLG | 200 | 165 | 147 | 30 | 60 | 5.6 | 45° | 119 | |
産品安全認證——CE認證報告
